Somos especialistas em: Civil Mecânica Industrial Tubulação Estruturas Metálicas Elétrica Automação
Projeto de balanço de massas industriais

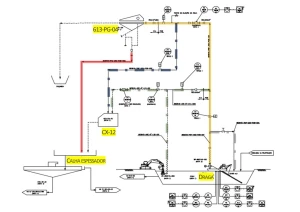
Entendendo o projeto de balanço de massas industriais

A elaboração de um projeto de balanço de massas industriais é de extrema importância para empresas que buscam otimizar seus processos produtivos, garantindo eficiência e redução de desperdícios. Esse tipo de projeto consiste na análise detalhada e quantificação de todos os insumos que entram e saem de um processo industrial, permitindo um controle preciso sobre a produção.

Vantagens do projeto de balanço de massas industriais

Com um projeto de balanço de massas industriais bem estruturado, as empresas conseguem identificar possíveis perdas de matéria-prima, energia ou insumos, possibilitando a implementação de ações corretivas para melhorar a eficiência operacional. Além disso, esse tipo de projeto contribui para a redução de custos e impactos ambientais, tornando a empresa mais sustentável.

Implementação do projeto de balanço de massas industriais

A COPEL Engenharia é especializada na elaboração e execução de projetos de balanço de massas industriais, contando com uma equipe de profissionais capacitados e experientes no desenvolvimento de soluções sob medida para cada cliente. Utilizando tecnologias de ponta, a empresa garante a precisão e confiabilidade dos dados coletados, fornecendo informações imprescindíveis para a tomada de decisões estratégicas.

Benefícios da Parceria com a COPEL Engenharia no projeto de balanço de massas industriais

A parceria com a COPEL Engenharia traz inúmeros benefícios para as empresas que buscam a excelência em seus processos produtivos. Além da expertise no desenvolvimento de projetos de balanço de massas industriais, a empresa oferece suporte técnico personalizado, acompanhamento contínuo e relatórios detalhados para análise e melhoria constante.

Conte com a COPEL Engenharia para otimizar seus processos

Se sua empresa busca aumentar a eficiência operacional, reduzir desperdícios e melhorar a sustentabilidade de suas operações, entre em contato conosco. Nossos profissionais estão à disposição para apresentar soluções completas em projeto de balanço de massas industriais e auxiliar no alcance dos seus objetivos. Garanta resultados efetivos e competitivos com a parceria certa. Consulte-nos!

Para saber mais sobre Projeto de balanço de massas industriais

Ligue para 31 3938-1700 ou clique aqui e entre em contato por email.

Páginas relacionadas

Regiões onde a COPEL atende Projeto de balanço de massas industriais

AclimaçãoBela VistaBom RetiroBom RetiroCambuciCentroConsolação
HigienópolisGlicérioLiberdadeLuzPariRepúblicaSanta Cecília
Santa EfigêniaVila Buarque
BrasilândiaCachoeirinhaCachoeirinhaImirimJaçanãJardim São PauloLauzane Paulista
MandaquiSantanaTremembéTucuruviVila GuilhermeVila GustavoVila Gustavo
Vila Medeiros
Água BrancaBairro do LimãoBarra FundaAlto da LapaAlto de PinheirosButantãFreguesia do Ó
JaguaréJaraguáJardim BonfiglioliLapaPacaembúPerdizesPerús
PinheirosPiritubaRaposo TavaresRio PequenoSão DomingosSumaréVila Leopoldina
Vila Sonia
AeroportoÁgua FundaBrooklinCampo BeloCampo GrandeCampo LimpoCapão Redondo
Cidade AdemarCidade DutraCidade JardimGrajaúIbirapueraInterlagosIpiranga
Itaim BibiJabaquaraJardim ÂngelaJardim AméricaJardim EuropaJardim PaulistaJardim Paulistano
Jardim São LuizJardinsJardinsM'Boi MirimMoemaMorumbiParelheiros
PedreiraSacomãSanto AmaroSaúdeSocorroVila AndradeVila Mariana
Água RasaAnália FrancoAricanduvaArtur AlvimBelémCidade PatriarcaCidade Tiradentes
Engenheiro GoulartErmelino MatarazzoGuianazesItaim PaulistaItaqueraJardim IguatemiJosé Bonifácio
MoócaParque do CarmoParque São LucasParque São RafaelPenhaPonte RasaSão Mateus
São Miguel PaulistaSapopembaTatuapéVila CarrãoVila CuruçáVila EsperançaVila Formosa
Vila MatildeVila Prudente
São Caetano do sulSão Bernardo do CampoSanto AndréDiademaGuarulhosSuzanoRibeirão Pires
MauáEmbuEmbu GuaçúEmbu das ArtesItapecerica da SerraOsascoBarueri
JandiraCotiaItapeviSantana de ParnaíbaCaieriasFranco da RochaTaboão da Serra
CajamarArujáAlphavilleMairiporãMairiporãABCD
BertiogaCananéiaCaraguatatubaCubatãoGuarujáIlha CompridaIguape
IlhabelaItanhaémMongaguáRiviera de São LourençoSantosSão VicentePraia Grande
UbatubaSão SebastiãoPeruíbe
Olá, como podemos te ajudar?