Somos especialistas em: Civil Mecânica Industrial Tubulação Estruturas Metálicas Elétrica Automação
Projeto de fluxograma de processos em Minas Gerais

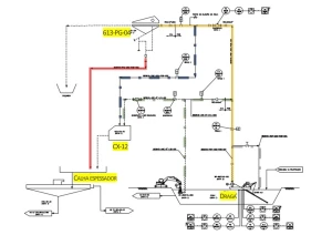
projeto de fluxograma de processos em minas gerais: Entenda a Importância para sua Indústria

A elaboração de um projeto de fluxograma de processos em minas gerais é fundamental para empresas que buscam otimizar suas operações industriais, especialmente no ramo da mineração. Esses diagramas detalhados são essenciais para uma compreensão clara de todas as etapas e equipamentos envolvidos nos processos produtivos, permitindo uma análise aprofundada e a identificação de possíveis melhorias.

Benefícios do projeto de fluxograma de processos em minas gerais

A COPEL Engenharia, especializada em projetos de engenharia industrial, destaca a relevância de investir em um projeto de fluxograma de processos em minas gerais. Ao contar com um fluxograma bem estruturado, as empresas poderão:

  • Identificar gargalos e pontos de melhoria nos processos industriais;
  • Otimizar a utilização de recursos, reduzindo custos operacionais;
  • Melhorar a eficiência e produtividade das operações;
  • Facilitar a comunicação e a visualização das etapas de produção;
  • Promover uma gestão mais eficaz e estratégica das atividades fabris.

Como a COPEL Engenharia Pode Auxiliar seu Negócio em Minas Gerais com o projeto de fluxograma de processos em minas gerais

A COPEL Engenharia, com sua vasta experiência no mercado, oferece serviços especializados para empresas que buscam aprimorar seus processos industriais em Minas Gerais. Nossa equipe de profissionais qualificados está apta a desenvolver projeto de fluxograma de processos em minas gerais personalizados, considerando as particularidades e demandas específicas de cada cliente.

Além da expertise em Engenharia Elétrica, a COPEL atua em diversas disciplinas, incluindo mecânica, estrutura metálica, civil, tubulação e processo. Com um compromisso inabalável com a qualidade e o cumprimento de prazos, garantimos soluções sob medida para impulsionar o sucesso de sua indústria.

Por que Escolher a COPEL Engenharia para seu Projeto de Fluxograma em Minas Gerais

A COPEL Engenharia destaca-se no mercado pela excelência de seus serviços e pela constante busca pela inovação. Nosso diferencial está na atualização tecnológica contínua, que nos permite oferecer as melhores práticas e soluções para os desafios industriais de nossos clientes.

Estamos comprometidos em superar as expectativas de quem confia em nosso trabalho, proporcionando resultados eficazes e duradouros. Conte com a COPEL Engenharia para impulsionar a eficiência e o sucesso de sua indústria em projeto de fluxograma de processos em minas gerais.

Aprimore seus Processos Industriais com a COPEL Engenharia em projeto de fluxograma de processos em minas gerais

Se sua empresa busca elevar sua performance operacional e conquistar uma vantagem competitiva no mercado, entre em contato com a COPEL Engenharia. Nossa equipe aguarda para oferecer soluções personalizadas e eficientes para o seu projeto de fluxograma de processos em minas gerais. Não perca a oportunidade de transformar sua indústria e garantir resultados excepcionais. Vamos juntos rumo à excelência!

Para saber mais sobre Projeto de fluxograma de processos em Minas Gerais

Ligue para 31 3938-1700 ou clique aqui e entre em contato por email.

Páginas relacionadas

Regiões onde a COPEL atende Projeto de fluxograma de processos em Minas Gerais

AclimaçãoBela VistaBom RetiroBom RetiroCambuciCentroConsolação
HigienópolisGlicérioLiberdadeLuzPariRepúblicaSanta Cecília
Santa EfigêniaVila Buarque
BrasilândiaCachoeirinhaCachoeirinhaImirimJaçanãJardim São PauloLauzane Paulista
MandaquiSantanaTremembéTucuruviVila GuilhermeVila GustavoVila Gustavo
Vila Medeiros
Água BrancaBairro do LimãoBarra FundaAlto da LapaAlto de PinheirosButantãFreguesia do Ó
JaguaréJaraguáJardim BonfiglioliLapaPacaembúPerdizesPerús
PinheirosPiritubaRaposo TavaresRio PequenoSão DomingosSumaréVila Leopoldina
Vila Sonia
AeroportoÁgua FundaBrooklinCampo BeloCampo GrandeCampo LimpoCapão Redondo
Cidade AdemarCidade DutraCidade JardimGrajaúIbirapueraInterlagosIpiranga
Itaim BibiJabaquaraJardim ÂngelaJardim AméricaJardim EuropaJardim PaulistaJardim Paulistano
Jardim São LuizJardinsJardinsM'Boi MirimMoemaMorumbiParelheiros
PedreiraSacomãSanto AmaroSaúdeSocorroVila AndradeVila Mariana
Água RasaAnália FrancoAricanduvaArtur AlvimBelémCidade PatriarcaCidade Tiradentes
Engenheiro GoulartErmelino MatarazzoGuianazesItaim PaulistaItaqueraJardim IguatemiJosé Bonifácio
MoócaParque do CarmoParque São LucasParque São RafaelPenhaPonte RasaSão Mateus
São Miguel PaulistaSapopembaTatuapéVila CarrãoVila CuruçáVila EsperançaVila Formosa
Vila MatildeVila Prudente
São Caetano do sulSão Bernardo do CampoSanto AndréDiademaGuarulhosSuzanoRibeirão Pires
MauáEmbuEmbu GuaçúEmbu das ArtesItapecerica da SerraOsascoBarueri
JandiraCotiaItapeviSantana de ParnaíbaCaieriasFranco da RochaTaboão da Serra
CajamarArujáAlphavilleMairiporãMairiporãABCD
BertiogaCananéiaCaraguatatubaCubatãoGuarujáIlha CompridaIguape
IlhabelaItanhaémMongaguáRiviera de São LourençoSantosSão VicentePraia Grande
UbatubaSão SebastiãoPeruíbe
Olá, como podemos te ajudar?