Somos especialistas em: Civil Mecânica Industrial Tubulação Estruturas Metálicas Elétrica Automação
Projeto de fluxograma de processos

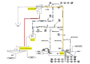
Entendendo a Importância do projeto de fluxograma de processos

projeto de fluxograma de processos é uma ferramenta fundamental para empresas que desejam otimizar suas operações industriais. Esse diagrama detalhado permite visualizar de forma clara e precisa todos os passos e recursos envolvidos em um processo produtivo, facilitando a identificação de possíveis gargalos, desperdícios e oportunidades de melhoria.

Vantagens de Implementar um projeto de fluxograma de processos

Ao adotar um projeto de fluxograma de processos, as empresas podem aumentar sua eficiência operacional, reduzir custos, melhorar a qualidade dos produtos e serviços, além de garantir a segurança dos colaboradores. Com esse mapeamento detalhado, é possível identificar de forma precisa os pontos de intervenção e as etapas críticas do processo, facilitando a tomada de decisões estratégicas.

Como a COPEL Engenharia Pode Ajudar no projeto de fluxograma de processos

A COPEL Engenharia é especialista na elaboração e implementação de projeto de fluxograma de processos, incluindo o desenvolvimento de fluxogramas de processos . Com uma equipe qualificada e experiente, somos capazes de oferecer soluções personalizadas para cada tipo de negócio, garantindo a eficiência e a segurança das operações.

Processo de Elaboração do projeto de fluxograma de processos

O processo de criação de um fluxograma de processos envolve etapas como a coleta de dados, identificação das atividades, sequenciamento das operações, análise de desempenho e implementação de melhorias. A COPEL Engenharia utiliza metodologias modernas e ferramentas de última geração para garantir a precisão e eficácia do mapeamento de processos.

Benefícios de Contar com a COPEL Engenharia

A COPEL Engenharia se destaca no mercado pela excelência na prestação de serviços de engenharia industrial, oferecendo aos clientes soluções completas e inovadoras para seus desafios operacionais. Nossa empresa prioriza a satisfação do cliente, a qualidade dos projetos e o cumprimento de prazos, garantindo resultados de alto nível.

Se sua empresa busca otimizar seus processos produtivos, conte com a expertise da COPEL Engenharia. Entre em contato conosco e descubra como podemos ajudar a impulsionar o seu negócio!

Para saber mais sobre Projeto de fluxograma de processos

Ligue para 31 3938-1700 ou clique aqui e entre em contato por email.

Páginas relacionadas

Regiões onde a COPEL atende Projeto de fluxograma de processos

AclimaçãoBela VistaBom RetiroBom RetiroCambuciCentroConsolação
HigienópolisGlicérioLiberdadeLuzPariRepúblicaSanta Cecília
Santa EfigêniaVila Buarque
BrasilândiaCachoeirinhaCachoeirinhaImirimJaçanãJardim São PauloLauzane Paulista
MandaquiSantanaTremembéTucuruviVila GuilhermeVila GustavoVila Gustavo
Vila Medeiros
Água BrancaBairro do LimãoBarra FundaAlto da LapaAlto de PinheirosButantãFreguesia do Ó
JaguaréJaraguáJardim BonfiglioliLapaPacaembúPerdizesPerús
PinheirosPiritubaRaposo TavaresRio PequenoSão DomingosSumaréVila Leopoldina
Vila Sonia
AeroportoÁgua FundaBrooklinCampo BeloCampo GrandeCampo LimpoCapão Redondo
Cidade AdemarCidade DutraCidade JardimGrajaúIbirapueraInterlagosIpiranga
Itaim BibiJabaquaraJardim ÂngelaJardim AméricaJardim EuropaJardim PaulistaJardim Paulistano
Jardim São LuizJardinsJardinsM'Boi MirimMoemaMorumbiParelheiros
PedreiraSacomãSanto AmaroSaúdeSocorroVila AndradeVila Mariana
Água RasaAnália FrancoAricanduvaArtur AlvimBelémCidade PatriarcaCidade Tiradentes
Engenheiro GoulartErmelino MatarazzoGuianazesItaim PaulistaItaqueraJardim IguatemiJosé Bonifácio
MoócaParque do CarmoParque São LucasParque São RafaelPenhaPonte RasaSão Mateus
São Miguel PaulistaSapopembaTatuapéVila CarrãoVila CuruçáVila EsperançaVila Formosa
Vila MatildeVila Prudente
São Caetano do sulSão Bernardo do CampoSanto AndréDiademaGuarulhosSuzanoRibeirão Pires
MauáEmbuEmbu GuaçúEmbu das ArtesItapecerica da SerraOsascoBarueri
JandiraCotiaItapeviSantana de ParnaíbaCaieriasFranco da RochaTaboão da Serra
CajamarArujáAlphavilleMairiporãMairiporãABCD
BertiogaCananéiaCaraguatatubaCubatãoGuarujáIlha CompridaIguape
IlhabelaItanhaémMongaguáRiviera de São LourençoSantosSão VicentePraia Grande
UbatubaSão SebastiãoPeruíbe
Olá, como podemos te ajudar?